堰式隔膜閥專用于控制一般腐蝕性介質,可供各類管路或設備上作啟閉及節流用。
適用溫度:≤85℃、≤100℃、≤120℃、≤150℃(按照襯里和隔膜材料)
壓力等級:磅(Lb) 125 150
當前隔膜閥廣泛地應用于城建、化工、冶金、石油、制藥、食品、飲料、環保中。
襯里層:電火花檢測
試驗與檢驗按API598標準
公稱壓力:磅(Lb)
閥體:Lb×1.5
密封:Lb×1.1

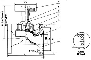
部件列表:1.閥體 2.閥體襯里 3.隔膜 4.閥瓣 5.閥桿 6.閥蓋 7、手輪 設計與制造:BS5156
結構長度:BS5156
法蘭連接尺寸:BS4504、DIN2532、JIS B2212、ANSI B16.1、ISO2004
| 公稱通徑 | 公稱壓力 | L mm |
D mm/in |
D1 mm/in |
n-Φd in |
F mm |
|
|---|---|---|---|---|---|---|---|
| DN | NPS | ||||||
| 15 | 1/2 | 150 | 108/125 | 89/31/2 | 60.5/23/8 | 4-5/8 | 2 |
| 20 | 3/4 | 117/135 | 98/37/8 | 70/23/4 | 4-5/8 | 2 | |
| 25 | 1 | 127/145 | 108/41/4 | 79.5/31/8 | 4-5/8 | 2 | |
| 32 | 11/4 | 146/160 | 117/45/8 | 89/31/2 | 4-5/8 | 2 | |
| 40 | 11/2 | 159/180 | 127/5 | 98.5/37/8 | 4-5/8 | 2 | |
| 50 | 2 | 190/210 | 152/6 | 120.5/43/4 | 4-3/4 | 2 | |
| 65 | 21/2 | 216/250 | 178/7 | 139.5/51/2 | 4-3/4 | 2 | |
| 80 | 3 | 254/300 | 190/71/2 | 152.5/6 | 4-3/4 | 2 | |
| 100 | 4 | 305/350 | 229/9 | 1901.5/71/2 | 4-3/4 | 2 | |
| 125 | 5 | 356/400 | 254/10 | 216/81/2 | 8-7/8 | 2 | |
| 150 | 6 | 406/460 | 279/11 | 241.5/91/2 | 8-7/8 | 2 | |
| 200 | 8 | 521/570 | 343/131/2 | 298.5/113/4 | 8-7/8 | 2 | |
| 250 | 10 | 635/680 | 406/16 | 362/141/4 | 12-1 | 2 | |
| 300 | 12 | 749/790 | 483/19 | 432/17 | 12-1 | 2 | |
| 350 | 14 | 787/900 | 533/21 | 476/183/4 | 12-11/8 | 2 | |
| 400 | 16 | 914/1000 | 597/231/2 | 540/211/4 | 16-11/8 | 2 | |
主營產品:氣動調節閥 - 電動調節閥 - 自力式調節閥
版版權所有 © 上海大田閥門管道工程有限公司
地址:上海市浦東新區川宏路528號宏圖大樓5樓
